Logowanie
Twój koszyk:

Liczba produktów: 0
Wartość produktów: 0


Logo Algodue
Przemysłowe analizatory sieci
Zestawienie | UPT210 | UPM3100 |

Wielofunkcyjny miernik mocy i energii typ UPT210

(wyświetlacz LCD, mocowanie na szynę 6 DIN)

OpisDane techniczneZakupy
UPT210

Cechy szczególne:

  • Kompaktowy wymiar modułu 6 DIN (szyna wg EN50022)
  • Kontrastowy wyświetlacz LCD
  • Pomiar True RMS
  • Pomiar energii czynnej, biernej, pozornej (4 liczniki)
  • Mierzonych i wyświetlanych ponad 35 wielkości elektrycznych (wersja ENH)
  • Obliczenie zapotrzebowania na moc i prąd
  • Port komunikacji RS485
  • Programowane przekładnie przekładników
  • Dwa cyfrowe wyjścia dla impulsowania energii
  • Wskazanie kolejności faz oraz błędnego podłączenia przekładnika prądowego
  • Klasa dokładności 1 lub 2 zgodnie z normą EN62053 (EN61036)
  • Na wyposażeniu program WINTOOL
  • Opcjonalnie dostępny rozbudowany program DEDALO

UPT210 jest programowalnym wielofunkcyjnym miernikiem energii mogącym zmierzyć zużycie energii oraz główne parametry elektryczne systemów trójfazowych.
Zapewnia dokładne pomiary nawet dla odkształconych przebiegów.
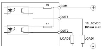
Do dwóch impulsowań energii może być emitownych na optoizolowanych wyjściach.
Kontrastowy wyświetlacz LCD pozwala użytkownikowi na sprawdzenie wszystkich mierzonych wartości. Parametry pracy mogą być łatwo ustawiane za pomocą klawiatury przyrządu.
Opcjonalny port komunikacji szeregowej RS485 pozwala na transmisję parametrów elektrycznych trzech faz z przyrządu.
Bezpłatne oprogramowanie WINTOOL, pozwala na pokazanie na PC wszystkich mierzonych wartości oraz na programowanie przyrządu w szybki sposób.
Opcjonalnie dostępny jest również rozbudowany program DEDALO do zarządzania wynikami oraz do zdalnego programowania przyrządów ALGODUE.
UPT210 zastępuje wiele mierników analogowych, jak również wiele mierników jednofunkcyjnych takich, jak woltomierze, amperomierze, watomierze, varomierze, częstotliwościomierze, mierniki współczynnika mocy, mierniki energii, etc.
UPR210 jest kompaktowym, przystępnym cenowo wielofunkcyjnym przetwornikiem właściwym do monitorowania energii oraz do zarządzania siecią elektryczną.

Zalety:

  • Podstawowa wersja UPT210 dostarcza cztery liczniki energii oraz pomiary parametrów elektrycznych dla szybkiego i łatwego sprawdzenia warunków obciążenia.
  • Programowanie przekładni przekładników pozwala na pomiar i wyświetlanie wartości strony pierwotnej.
  • Funkcja diagnostyczna wykrywa polaryzację przekładnika prądowego oraz kierunek wirowania faz w celu wskazania na LCD ewentualnych błędów podłączenia.
  • Jest odpowiedni do zastąpienia konwencjonalnych mierników, ponieważ jest ultra-kompaktowy i łatwy w zamontowaniu.
  • Poprzez port komunikacyjny jest możliwy odczyt i rejestracja na PC wszystkich wyników (ponad 35 parametrów elektrycznych). Podłączenie zdalne pozwala na generowanie profili zużycia energii, rejestracji trendów wartości, przydziału kosztów i raportów, jak również identyfikację wartości krytycznych.
  • Program WINTOOL pozwalający na programowanie przyrządu oraz odczyt zarejestrowanych pomiarów.

Zastosowania:

  • Rozdzielnie, centra sterowania napędami, etc.
  • Zamiana mierników elektromechanicznych w gospodarstwach domowych, przemysłowych i innych komercyjnych zastosowaniach.
  • Monitorowanie mocy i systemy kontroli
  • Monitorowanie obciążenia od indywidualnych maszyn
  • Nadzór nad działaniem banków kondensatorowych
  • Zdalny pomiar i podział kosztów

Główne cechy

Pomiary

  • Brak zrównoważenia obciążenia w systemach jednofazowych i trójfazowych 3-przewodowych oraz 4-przewodowych
  • Pomiary True RMS zapewniają dokładny pomiar nawet dla przebiegów odkształconych
  • Mierzonych jest ponad 35 parametrów elektrycznych. Podstawowa wersja wyświetla na LCD wartości w systemie dla łatwego i szybkiego sprawdzenia warunków obciążenia. Tabela pokazuje mierzone parametry i dostępne opcje.
  • Programowany prąd 1A/5A dla pełnej skali dla spełnienia standardów przekładników prądowych.
  • Wartość pierwotna przekładnika prądowego jest programowana do 9999 w celu pokazania rzeczywistych wartości poboru mocy.

Wyświetlacz na płycie czołowej

  • Wysoce kontrastowy wyświetlacz LCD
  • Dwa przełączniki zapewniają wybór informacji na wyświetlaczu LCD oraz programowanie przyrządu
  • Hasło zabezpieczające ustawienia oraz operacje resetowania.

Komunikacja

  • Optoizolowany port komunikacji RS485 (opcjonalny)
  • Wybierany protokół MODBUS lub A2 ASC II. Protokół LONBUS na życzenie.
  • Szybkość komunikacji programowana do 57600 bps (78kbps w przypadku LONBUS).

Wejścia i wyjścia

  • Dwa cyfrowe izolowane optycznie wyjścia dla pulsowania energii. Wartość impulsu jest programowana.
  • Za życzenie wejścia dla cewek Rogowskiego (MFC150)

Zaawansowane funkcje diagnostyczne

  • Nieprawidłowa polaryzacja przekładnika prądowego i kierunku wirowania faz powodują wskazanie na wyświetlaczu LCD błędów podłączenia.
  • Za wysokie / za niskie napięcie, nadmierny prąd oraz częstotliwość poza zakresem są wykrywane w celu wskazania nieprawidłowych warunków pracy.
  • Za wysoka częstotliwość emisji impulsu, za wysoka lub za wysoki przekładnik prądowy są sprawdzane w celu wskazania błędów programowania.
Pomiary chwilowe
Napięcie fazowe VL1-N - VL2-N - VL3-N [V]
Napięcie międzyfazowe VL1-L2 - VL2-L3 - VL3-L1 [V]
Napięcie systemu V [V]
Prąd fazowy IL1 - IL2 - IL3 [A]
Prąd systemu I [A]
Współczynnik mocy PFL1 - PFL2 - PFL3
Współczynnik mocy systemu PF
Moc pozorna SL1 - SL2 - SL3 [VA]
Moc pozorna systemu S [VA]
Moc czynna PL1 - PL2 - PL3 [W]
Moc czynna systemu P [W]
Moc bierna QL1 - QL2 - QL3 [var]
Moc bierna systemu Q [var]
Częstotliwość f [Hz]
Zapotrzebowanie na moc (wartości średnie) 4 x IAVG - SAVG - PAVG
Odwrócenie faz 123 / 132
Dane magazynowane
Energia czynna systemu [Wh]
Energia pozorna systemu [VAh]
Energia indukcyjna systemu [varh ind]
Energia pojemnościowa systemu [varh cap]
Wartości szczytowe 3xVL-N - 3xVL-L - 3xIAVG - PAVG - SAVG
● = Standard, ○ = Opcjonalnie,
■ = Wartości dwukierunkowe (tylko dla opcji BIDIR)

Wyświetlacz
Wyświetlacz LCD

Powiadomienie o plikach cookie. Witryna korzysta z plików cookie.
Pozostając na tej stronie, wyrażasz zgodę na korzystanie z plików cookie.
Dowiedz się więcej